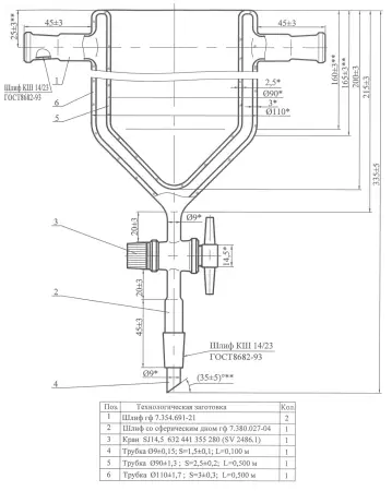
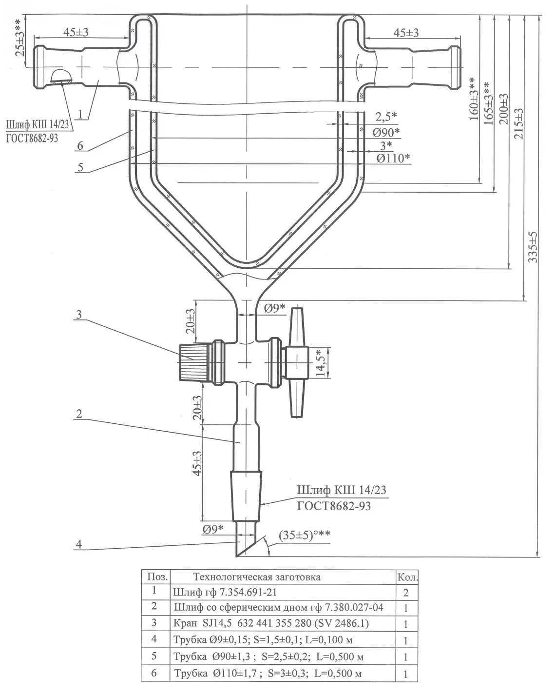
Ловушка охлаждаемая эскиз 2-1235 купить с доставкой по России | Химмедсервис