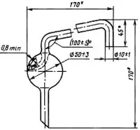
Каплеуловитель КО-100 ГОСТ 25336-82 купить с доставкой по России | Химмедсервис